24.06.2011, Схема компенсации второй разности аналоговых частей без внешней обработки
Ранее доказана работоспособность схемы, работающей по вторым разностям скачков, получен график точности оценки второй разности фаз в зависимости от отношения сигнал/шум. Схема прекрасно работает, но имеет один специфичный недостаток - она требует изменения интерфейса каналов обработки в ПМО, что неприятно.
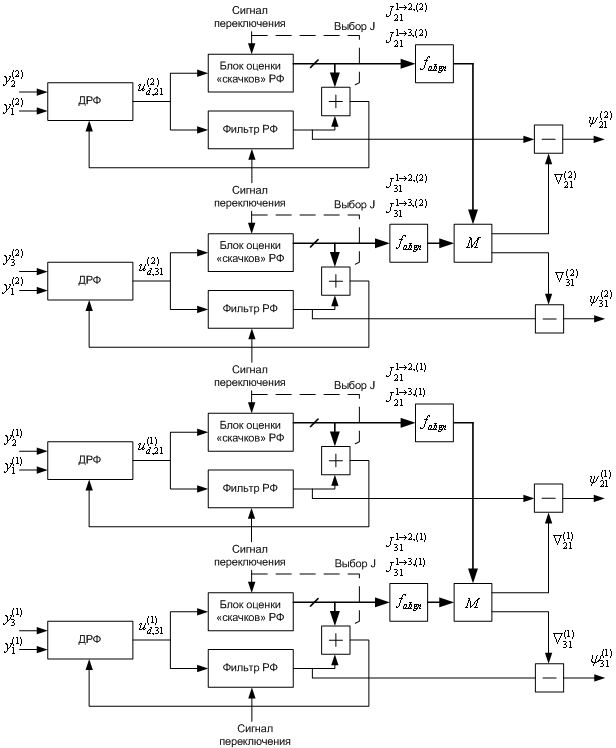
Для устранения возникшей проблемы схема приведена к виду:
Поясним обозначения, принятые на схеме.
Приведение скачков разных каналов к близким значениям
Однотипные скачки разности фаз в разных каналах не должны отличаться больше, чем на
. В прошлой схеме вторая разность скачков приводилась к числу, близкому нулю. Новая схема должна добиваться аналогичного эффекта для самих скачков разностей фаз. Идея: использовать для каждого типа скачка свою буферную переменную, которая была бы общей для всех каналов. Как только производится оценка скачка такого типа, так его значение приводится к окрестности буферной переменной, после чего значение буферной переменной корректируется.
Под функцией выравнивания
понимается следующий алгоритм. Для каждого скачка
заводится общая на все каналы буферная переменная
. Далее при обращении к
производится преобразование:
- где mymod2pi - приведение к интервалу
.
Пример реализации функции mymod2pi в Matlab:
%MYMOD2PI Переводит число в интервал +-pi
y = mod(x+pi, 2*pi) - pi;
end
Преобразование скачков в компенсационные слагаемые разностей фаз
Функция M производит линейное матричное преобразование входящего вектора
в выходной двухэлементный вектор
в соответствии с уравнением:
- где
.
Измерение разности фаз для первого положения коммутатора и скачков разности фаз
Для разности m1 сигнала спутника n в момент времени k более подробно схема измерения разности фаз для первого положения коммутатора и скачков разностей фаз выглядит как


[ Хронологический вид ]Комментарии
Войдите, чтобы комментировать.